KA 03-vz

SILVERFLEX-Maschinenfuß verzinkt - mit Saugprofil Ø200/170 - Höhe 45mm (+15mm Nivellierung)

Preis auf Anfrage

Dieser Artikel ist ein Sonderposten. Die maximale Bestellmenge entspricht der aktuell angezeigten Lager­menge.
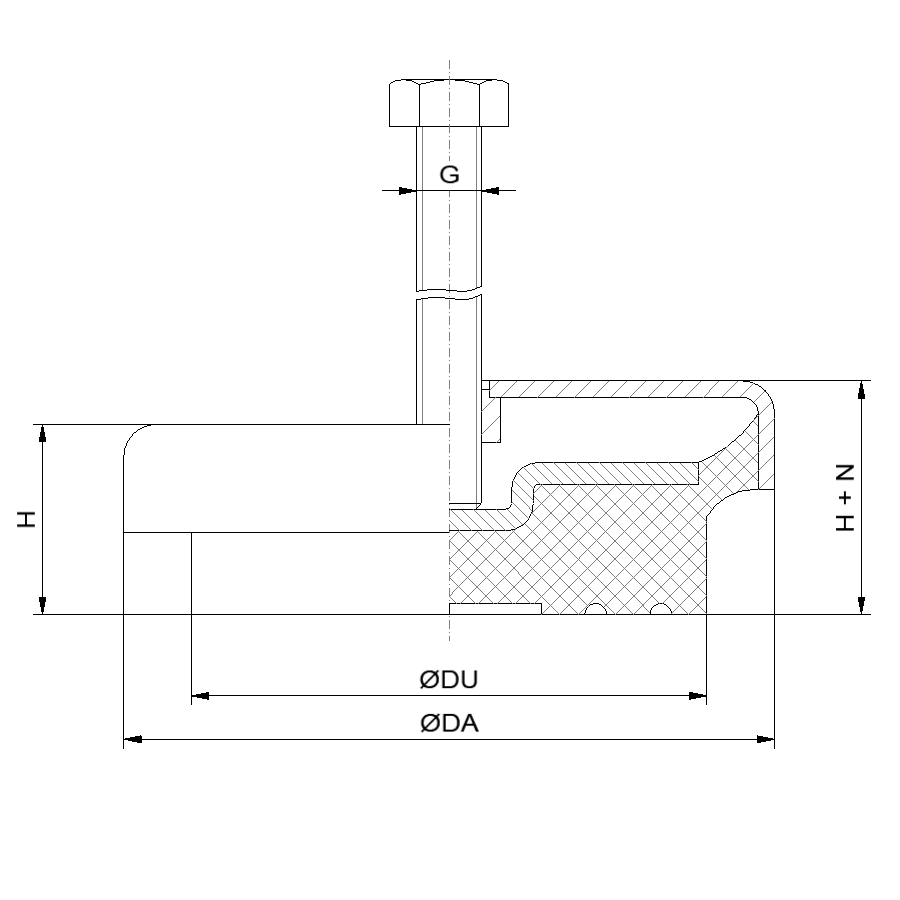
Durchmesser:200 mm
Höhe:45 mm

Gewinde:M20

Seite 1:M20x1,5x110

Seite 2:Gummi

Härte:Härte: mittelhart

Elastomer:NBR

Metallteile:Stahl verzinkt

Stück / Gewicht:0 g

Metallteile aus Stahl verzinkt

Nitrile-Butadiene-Kautschuk (NBR), der sich für seine hohe Öl- und Kraftstoffbeständigkeit auszeichnet. Er hat einen geringen Druckverformungsrest und ist daher ideal für Anwendungen mit hohen Belastungen. Einsatztemperautur -40°C bis +130°C

75°Shore
Härte: mittelhart
Toleranzen nach DIN ISO 3302-1 Klasse M3

Gummipuffer dieser Konstruktion sind auch in anderer Varianten erhältlich, z.B. mit abweichenden Gummisorten, Härten oder Metall.